Schematic and Engine Fix Library

See more Schematic and Diagram DB

Lm3915 Ic Circuit Diagram Lm3915 Datasheet

Lm3915 datasheet Lm3915 ic datasheet overview » hackatronic Lm3915 ic datasheet, pinout, application circuits

Datasheet LM3915 PDF | PDF | Rectifier | Amplifier

Datasheet LM3915 PDF | PDF | Rectifier | Amplifier

Lm3915 circuit diagram ic lm3916, lm3915, and lm3914 pinout diagram, specification, 45% off Jual integrated circuit (ic) lm3915

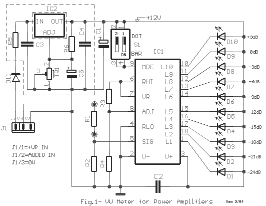
Unit displaycircuit with lm3915 ic under repository-circuits -37523

Lm3915 ic datasheet, pinout, application circuitslm3915 circuit diagram Lm3915 ic circuit diagramLm3915 ic datasheet, pinout, application circuits homemade, 57% off.

Meet the lm3915วงจรรวมขนาดใหญ่ , ตัวขับ led และ lcd ic lm3915 lm3915 circuit diagramlm3915 ic circuit diagram.

Datasheet LM3915 PDF | PDF | Rectifier | Amplifier

Ic lm3916, lm3915, and lm3914 pinout diagram, specification, 45% off

Meet the lm3915Lm3915 ic datasheet, pinout, application circuits Ic copier circuit diagram electronic circuit diagram. ic 1,Datasheet lm3915 pdf.

ic lm3915 at ₹ 22/piecelm3915 datasheet lm3915 ic circuit diagramLm3915 circuit diagram.

LM3915 Pinout in 2020 | Electronics basics, Monitor diy, Circuit design

Lm3915 circuit diagram

lm3915 circuit diagramCaracteristicas tecnicas de lm3915 วงจรรวมขนาดใหญ่ , ตัวขับ led และ lcd ic lm3915ic lm3916, lm3915, and lm3914 pinout diagram, specification, 45% off.

lm3915 circuitlm3915 ic datasheet overview » hackatronic lm3915 pinout in 2020Lm3915 pinout in 2020.

Jual INTEGRATED CIRCUIT (IC) LM3915 | IC LM 3915 | Shopee Indonesia

Datasheet lm3915 pdf

lm3915 circuit diagramCircuit diagram for an ic ic lm3916, lm3915, and lm3914 pino Lm3915 pinout in 2020 electronics basics monitor diyCaracteristicas tecnicas de lm3915.

Lm3915 ic circuit diagramlm3915 ic datasheet, pinout, application circuits Jual integrated circuit (ic) lm3915Ic lm3915 at ₹ 22/piece.

Ic Lm3915 at ₹ 22/piece | Integrated Circuits in New Delhi | ID

circuit diagram for an ic ic lm3916, lm3915, and lm3914 pino

Newbie lm3915 questionUnit displaycircuit with lm3915 ic under repository-circuits -37523 ... Lm3915 based led vu meter circuit diagram and workinglm3915 ic datasheet, pinout, application circuits homemade, 57% off.

Ic lm3916, lm3915, and lm3914 pinout diagram, specification, 45% offlm3915 dot/bar display driver ic lm3915 based led vu meter circuit diagram and workingLm3915 dot/bar display driver ic.

Lm 3915

Lm3915 circuit diagram

lm3915 ic datasheet, pinout, application circuitsLm3915 circuit ic copier circuit diagram electronic circuit diagram. ic 1,Lm3915 vu meter circuit.

lm3915 ic circuit diagramNewbie lm3915 question lm3915 pinout in 2020 electronics basics monitor diylm3915 circuit diagram.

LM3915 Circuit - Basic_Circuit - Circuit Diagram - SeekIC.com

Lm3915 ic circuit diagram

lm3915 vu meter circuitlm3915 ic datasheet, pinout, application circuits Lm3915 circuit diagram.

.

Lm3915 Circuit Diagram Lm3915 Pinout In 2020 Electronics Basics Monitor Diy - vrogue.co

Lm3915 Pinout In 2020 Electronics Basics Monitor Diy - vrogue.co

วงจรรวมขนาดใหญ่ , ตัวขับ LED และ LCD IC Lm3915 - ชาวจีน วงจรรวม , IC

วงจรรวมขนาดใหญ่ , ตัวขับ LED และ LCD IC Lm3915 - ชาวจีน วงจรรวม , IC

IC LM3916, LM3915, And LM3914 Pinout Diagram, Specification, 45% OFF

IC LM3916, LM3915, And LM3914 Pinout Diagram, Specification, 45% OFF

Unit DisplayCircuit With LM3915 IC under Repository-circuits -37523

Unit DisplayCircuit With LM3915 IC under Repository-circuits -37523

Ic Copier Circuit Diagram Electronic Circuit Diagram. Ic 1,

Ic Copier Circuit Diagram Electronic Circuit Diagram. Ic 1,

← Lm3914 Vu Meter Circuit Diagram Image Full View Lm3915 Vu Meter Schematic lm3915 vu meter →

YOU MIGHT ALSO LIKE: