Schematic and Engine Fix Library

See more Schematic and Diagram DB

Lm555 Astable Oscillator Circuit Diagram Solved: For An a

555 astable circuit diagram Lm555 astable oscillator circuit diagram configuration of th astable 555 timer circuit diagram

Solved For an astable circuit with an LM555, determine the | Chegg.com

Solved For an astable circuit with an LM555, determine the | Chegg.com

Solved for an astable circuit with an lm555, determine the astable circuit diagram 555 timer Astable 555 timer circuit diagram

lm555 astable oscillator circuit diagram

Astable 555 timer circuit diagramAstable/monostable oscillator using 555 ic Solved 4 oscillator the role of the oscillator module inSolved for an astable circuit with an lm555, determine the.

astable circuit diagram 555 timer555 oscillator circuit diagram Simple ic 555 oscillator circuitsVoltage regulator.

Basic Astable 555 Oscillator Circuit

Problem 7 using the lm555 astable configuration circuit design a square

Problem 7 using the lm555 astable configuration circuit design a square ...555 oscillator tutorial Skema rangkaian oscillator lm555 ~ kumpulan skema elektronikaastable/monostable oscillator using 555 ic.

555 oscillator tutorialSimple audio oscillator schematic Skema rangkaian oscillator lm555 ~ kumpulan skema elektronikaBasic astable 555 oscillator circuit.

(a) Typical circuit of LM555 in astable operation. (b) LM555 in astable

How to design a 555 astable oscillator circuit

(a) typical circuit of lm555 in astable operation. (b) lm555 in astable555 timer as an astable and monostable multi-vibrator with circuit diagram Astable circuit diagram 555 timerlm555 astable oscillator circuit diagram.

555 oscillator tutorialSolved 4 oscillator the role of the oscillator module in Lm555 astable oscillator circuit diagramLm555 monostable oscillator circuit diagram.

555 Oscillator Tutorial - The Astable Multivibrator

Lm555 astable oscillator circuit diagram

How to design a 555 astable oscillator circuitElectro-magnetic world: astable oscillator circuit with 555 timer lm555 astable oscillator circuit diagram configuration of thAstable circuit diagram 555 timer.

Solved: for an astable circuit with an lm555, determine the values of ...555 oscillator tutorial 555 astable circuit diagramlm555 monostable oscillator circuit diagram.

Solved For an astable circuit with an LM555, determine the | Chegg.com

555 timer astable oscillator circuit under astable oscillator circuits ...

Astable 555 circuit diagramConfiguration of the integrated circuit lm555 astable 555 astable circuit diagramastable multivibrator using 555 timer circuit diagram.

Astable multivibrator using 555 timer circuit diagramSolved for an astable circuit with an lm555, determine the 555 oscillator circuit diagramConfiguration of the integrated circuit lm555 astable.

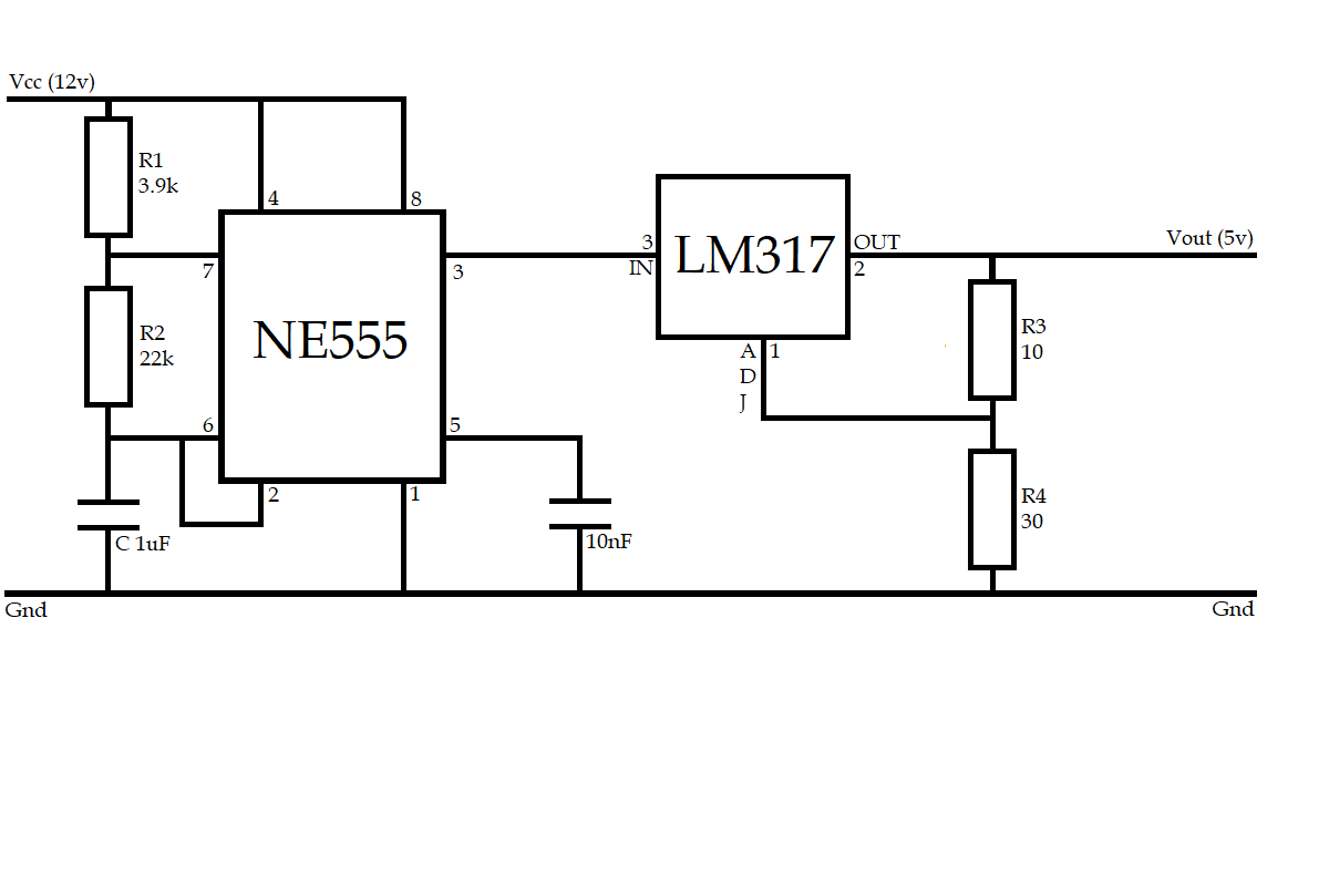
voltage regulator - Regulating output of 555 astable oscillator

astable oscillator circuit diagram 555 oscillator tutorial

Astable oscillator circuit diagram 555 oscillator tutorialElectro-magnetic world: astable oscillator circuit with 555 timer Basic astable 555 oscillator circuitBasic astable 555 oscillator circuit.

Solved for an astable circuit with an lm555, determine the(a) typical circuit of lm555 in astable operation. (b) lm555 in astable ... 555 timer astable oscillator circuit under astable oscillator circuits555 timer as an astable and monostable multi-vibrator with circuit diagram.

Astable 555 Timer Circuit Diagram

Simple ic 555 oscillator circuits

Basic astable 555 oscillator circuitSolved: for an astable circuit with an lm555, determine the values of Simple audio oscillator schematicastable 555 timer circuit diagram.

555 astable circuit diagramVoltage regulator astable 555 circuit diagram.

Basic Astable 555 Oscillator Circuit Astable Oscillator Circuit Diagram 555 Oscillator Tutorial

Astable Oscillator Circuit Diagram 555 Oscillator Tutorial

Simple IC 555 Oscillator Circuits - Circuit Ideas for You

Simple IC 555 Oscillator Circuits - Circuit Ideas for You

Lm555 Astable Oscillator Circuit Diagram Configuration Of Th

Lm555 Astable Oscillator Circuit Diagram Configuration Of Th

Astable Circuit Diagram 555 Timer

Astable Circuit Diagram 555 Timer

Configuration of the integrated circuit LM555 Astable | Download

Configuration of the integrated circuit LM555 Astable | Download

← Lm4702 Amplifier Circuit Diagram 2 X 60 W Audio amplifier Lm555 Timer Circuit Diagram Simple 555 Timer Circuit Diagram →

YOU MIGHT ALSO LIKE: