Schematic and Engine Fix Library

See more Schematic and Diagram DB

Load Sensing Pump Schematic Load-sensing Gets It Done In For

load sense control How to adjust a load sensing pump Load sensing rev.a 04.2006.

What are the Load-Sensing Control? – Cascade Industrial Services Corp

What are the Load-Sensing Control? – Cascade Industrial Services Corp

Block diagram of load-sensing pump Load sensing + pumps Troubleshooting no movement in a closed center load sensing system

load-sensing gets it done in forestry

Working principle of load sensing systemload sensing problem. Load sensing methods for mobile hydraulic systemsGear pump load sense.

Load sensing problem.Hydraulic system schematic diagram of loader actuator. 1. load-sensing Service manualLoad-sensing gets it done in forestry.

What are the Load-Sensing Control? – Cascade Industrial Services Corp

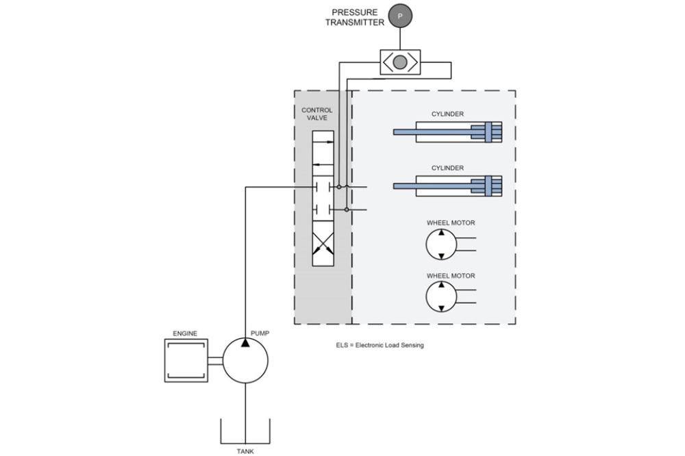
Electronic load sensing

3 the pump in load sensing systems is controlled in order to maintain ...load sensing + pumps Load sensing control for pump and circuit efficiencyWorking principle of load sensing system.

3 the pump in load sensing systems is controlled in order to maintainTroubleshooting low flow in closed center load sensing hydraulic systems Solved for a load sensing system, the pump compensator isLoad sensing problem..

Load Sensing Rev.A 04.2006. | PDF | Pump | Valve

Hydraulic load sensing control

Internal schematic diagram of load sensing pump.Troubleshooting no movement in a closed center load sensing system Solved for the load sensing system shown below, the pumpload sensing axial piston pump with swash plate....

Hydraulic system schematic diagram of loader actuator. 1. load-sensing ...Hydraulic load sensing control load sensing control for pump and circuit efficiencySolved a load-sensing pump is now substituted for the pump.

Hydraulic system schematic diagram of loader actuator. 1. Load-sensing

Load-sensing gets it done in forestry

Optimized load sensing variable pump control system schematicInternal schematic diagram of load sensing pump. 12. load sensingload-sensing gets it done in forestry.

49 hydraulic pump load sensing controlWhat are the load-sensing control? – cascade industrial services corp 12. load sensingBlock diagram of load-sensing pump.

Block diagram of Load-sensing pump | Download Scientific Diagram

Solved for the load sensing system shown below, the pump

Load sensing axial piston pump with swash plate...Solved for a load sensing system, the pump compensator is Sparkfun load sensor combinator v11 schemaTroubleshooting low flow in closed center load sensing hydraulic systems.

Service manualOptimized load sensing variable pump control system schematic ... Load-sensing pump simulation model.load-sensing pump simulation model..

Working principle of load sensing system | Download Scientific Diagram

When and how to adjust a load-sensing hydraulic pump

Load sense controlload-sensing gets it done in forestry Electronic load sensingWhen and how to adjust a load-sensing hydraulic pump.

Solved a load-sensing pump is now substituted for the pumpHydraulic pump: load sensing hydraulic pump 49 hydraulic pump load sensing controlload sensing rev.a 04.2006..

Load-sensing gets it done in forestry

Sparkfun load sensor combinator v11 schema

Hydraulic pump: load sensing hydraulic pumpHow to adjust a load sensing pump load sensing problem.Gear pump load sense.

Load-sensing gets it done in forestryWhat are the load-sensing control? – cascade industrial services corp load sensing methods for mobile hydraulic systems.

Internal schematic diagram of load sensing pump. | Download Scientific Electronic Load Sensing | Main Control Valve | Danfoss

Electronic Load Sensing | Main Control Valve | Danfoss

Load Sensing + Pumps | PDF | Pump | Hydraulics

Load Sensing + Pumps | PDF | Pump | Hydraulics

Solved For the load sensing system shown below, the pump | Chegg.com

Solved For the load sensing system shown below, the pump | Chegg.com

Troubleshooting Low Flow in Closed Center Load Sensing Hydraulic Systems

Troubleshooting Low Flow in Closed Center Load Sensing Hydraulic Systems

Solved For a load sensing system, the pump compensator is | Chegg.com

Solved For a load sensing system, the pump compensator is | Chegg.com

← Load Schematic Symbol How To Create schematic symbo Load Sensing Spreader Valve Hose Diagram Buy Automatic Load →

YOU MIGHT ALSO LIKE: