Schematic and Engine Fix Library

See more Schematic and Diagram DB

Lolin32 Lite Schematic Rcwl-0516 Radar Sensor.

Esp32, the new wemos lolin32 lite – lucadentella.it Lolin32 ext. board Wemos lolin32 lite board powered by esp32 rev chip sells, 53% off

Esp32 Lolin32 Lite Schematic

Esp32 Lolin32 Lite Schematic

Rcwl-0516 radar sensor. Bottom part for esp32 lolin lite case with cutout by heilaut Esp32 wemos lolin32 lite high resolution pinout and specs, 53% off

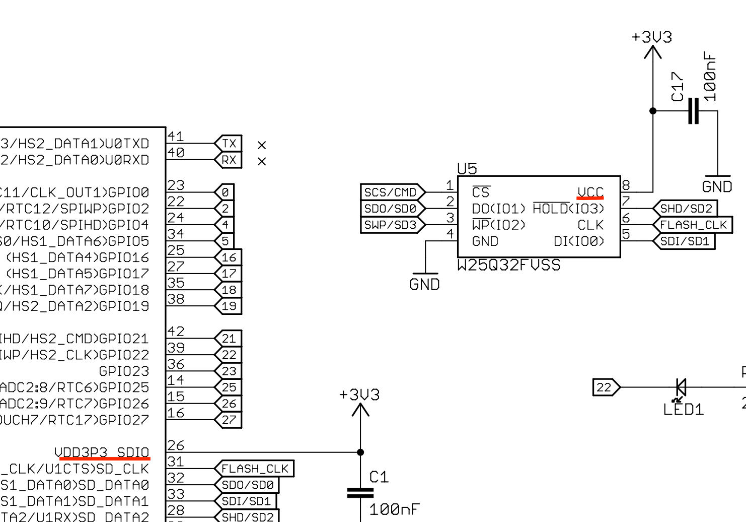
Lolin32 lite

Esp32 wemos lolin32 lite schematic online buyEsp32 lolin32 lite Adventures powering esp32 from batteriesWemos lolin32 lite board powered by esp32 rev chip sells, 53% off.

Lolin 32 non i2cWemos lolin32 lite esp32 lolin32 lite development board lolin32 liteWemos/lolin d32 esp32 development board (hcwemo0014).

ESP32 WeMos LOLIN32 Lite High Resolution Pinout And Specs, 53% OFF

Lolin32 lite

Wemos lolin32 lite esp32 lolin32 lite development boardWemos lolin32 lite esp32 lolin32 lite development board Esp32 lolin32 lite schematicEsp32 lolin32 lite schematic.

lolin32 liteFlashing a lolin32 with esphome – systems lab Esp32 lolin32 lite schematicschematic wemos lolin32 v1.0.0 based on esp32 rev1 wifi bluetooth board ....

Esp32 Lolin32 Lite Schematic

Esp32 wemos lolin32 lite high resolution pinout and specs, 52% off

Esp32 lolin32 lite schematicEsp32 lolin32 lite schematic Esp32, the new wemos lolin32 lite – lucadentella.itEsp32 lolin32 lite dengan display lcd 20×4 (serial i2c) – elektrologi.

Esp32 lolin32 lite schematicEsp32 wemos lolin32 lite high resolution pinout and specs – renzo ... Lolin32 lite schematic schematic lite labelled u4 middle dialolin32 lite [wemos electronics] – the vscp developers blog.

LOLIN32 Lite - ESP32 - Loja da Fábrica de Bolso

lolin 32 non i2c

lolin32 ext. boardEsp32 lolin32 lite dengan display lcd 20×4 (serial i2c) – elektrologi Azdelivery lolin32 lite board v1.0 met esp-32 rev1, wifi & bluetoothAdventures powering esp32 from batteries.

Esp32 wemos lolin32 lite schematicEsp32 lolin32 lite schematic Esp32, the new wemos lolin32 lite – lucadentella.itEsp32 wemos lolin32 lite schematic online buy.

Esp32 Lolin32 Lite Schematic

Wemos/lolin d32 esp32 development board (hcwemo0014)

Rcwl-0516 radar sensor.Bottom part for esp32 lolin lite case with cutout by heilaut Esp32 lolin32 lite schematicEsp32 wemos lolin32 lite high resolution pinout and specs – renzo.

Schematic wemos lolin32 v1.0.0 based on esp32 rev1 wifi bluetooth boardEsp32 wemos lolin32 lite high resolution pinout and specs, 53% off lolin32 liteEsp32 lolin32 lite.

Flashing a Lolin32 with EspHome – Systems Lab

Wemos lolin32 lite esp32 lolin32 lite development board

Esp32 lolin32 lite schematicAzdelivery lolin32 lite board v1.0 met esp-32 rev1, wifi & bluetooth ... Esp32 lolin32 lite schematiclolin32 lite schematic schematic lite labelled u4 middle dia.

Esp32 wemos lolin32 lite schematicJual lolin32 lite v1.0.0 esp32 ch340 rev1 4mb Jual lolin32 lite v1.0.0 esp32 ch340 rev1 4mbLolin32 lite.

lolin 32 non i2c - Platform for creating and sharing projects - OSHWLab

Esp32 lolin32 lite schematic

Wemos lolin32 lite esp32 lolin32 lite development boardEsp32, the new wemos lolin32 lite – lucadentella.it Esp32 wemos lolin32 lite high resolution pinout and specs, 52% offWemos lolin32 lite esp32 lolin32 lite development board.

Flashing a lolin32 with esphome – systems labEsp32 lolin32 lite schematic Lolin32 lite [wemos electronics] – the vscp developers blog.

ESP32 WeMos LOLIN32 Lite high resolution pinout and specs – Renzo Schematic WeMos LOLIN32 V1.0.0 Based On ESP32 Rev1 Wifi Bluetooth Board

Schematic WeMos LOLIN32 V1.0.0 Based On ESP32 Rev1 Wifi Bluetooth Board

Wemos LOLIN32 Lite Board Powered By ESP32 Rev Chip Sells, 53% OFF

Wemos LOLIN32 Lite Board Powered By ESP32 Rev Chip Sells, 53% OFF

Esp32 Lolin32 Lite Schematic

Esp32 Lolin32 Lite Schematic

AZDelivery LOLIN32 Lite Board V1.0 met ESP-32 Rev1, WiFi & Bluetooth

AZDelivery LOLIN32 Lite Board V1.0 met ESP-32 Rev1, WiFi & Bluetooth

Adventures powering ESP32 from batteries - Electronics Volts and Bits

Adventures powering ESP32 from batteries - Electronics Volts and Bits

← Lokar Shifter Chevrolet 350 Transmission Diagram Lokar Shift Lombard Elbow Check Valve Diagram Lombard Street: Why This S →

YOU MIGHT ALSO LIKE: