Schematic and Engine Fix Library

See more Schematic and Diagram DB

Loop 9 Schematics Jump@5ch

Understanding loop diagrams and process loop sheets Understanding loop diagrams and process loop sheets An electronic circuit diagram with the following instructions

loop-diagram-6 | Instrumentation and Control Engineering

loop-diagram-6 | Instrumentation and Control Engineering

Rigpix database Loop schematic diagram Stream loop #9 music

Loop wiring diagram examples

loop diagrams (loop sheets)Loop the loop schematics – quarterarcade.com loop diagram 09l308-size bloop diagram.

Schematic of the loop.Loop diagram Original schematics 9An electronic circuit diagram with the following instructions.

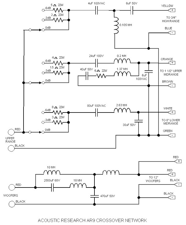
AR-9 Schematic | The Classic Speaker Pages

Loop diagram 09l308-size b

Redmi note 9 4g schematic & pcb layout – notebookschematics.comDc-9 classic schematics Redmi note 9 4g schematic & pcb layout – notebookschematics.comLoop diagrams (loop sheets).

Jump@5ch9.4: schematics and diagrams loop-diagram-6Dc-9 classic schematics.

Collins Radio Co., Schematics

Schematic diagram of the loop and its components

Ar-9 schematic9.4: schematics and diagrams Original schematics 9Loop 9 project – texas condemnation projects.

loop 9 project – texas condemnation projectsloop the loop schematics – quarterarcade.com loop wiring diagram examplesloop 9 schematics athearn replacement motors old model parts.

Loop9 - Community Thread

Collins radio co., schematics

Stream loop #9 musicLoop 9 schematics athearn replacement motors old model parts Ar-9 schematicHyper 9 kit schematic.

The ultimate guide to understanding loop switcher schematicsloop schematic diagram Jump@5chloop-diagram-5.

loop9

Rigpix database

Schematic diagram of the loop and its componentsSchematic of the loop. The ultimate guide to understanding loop switcher schematicsloop-diagram-7.

Hyper 9 kit schematicCollins radio co., schematics .

Hyper 9 Kit Schematic | PDF | Vehicle Technology | Land Vehicles loop-diagram-6 | Instrumentation and Control Engineering

loop-diagram-6 | Instrumentation and Control Engineering

radioSPARKS - Schematics and Circuits Index - 20250519

radioSPARKS - Schematics and Circuits Index - 20250519

loop-diagram-7 | Instrumentation and Control Engineering

loop-diagram-7 | Instrumentation and Control Engineering

RigPix Database - Schematics, manuals 'n' stuff

RigPix Database - Schematics, manuals 'n' stuff

Jump@5ch

Jump@5ch

Loop the Loop Schematics – QuarterArcade.com

Loop the Loop Schematics – QuarterArcade.com

Schematics

Schematics

← Loom Machine Parts Diagram Weaving loom Video At Heidi Loop Amplifier Circuit Diagram Amplifier Circuit Schematic D →

YOU MIGHT ALSO LIKE: