Schematic and Engine Fix Library

See more Schematic and Diagram DB

Ls3 5a Crossover Schematic ls3 5a Crossover Schematic

Simple "ls3/5a crossover Ls3/5a crossover Rogers ls3 5a crossover schematic

Ls3 5a Crossover Schematic Rogers Ls3/5a Crossovers, Custom

Ls3 5a Crossover Schematic Rogers Ls3/5a Crossovers, Custom

ls3/5a crossover ls3 5a crossover schematic ls3/5a ls-3/5a 11ohm crossover 復刻分音器一對

Bbc ls3/5a replicas: the crossovers

Ls3 5a 15 ohm crossover schematic for sale!Rogers ls3 5a crossover schematic ls3/5a _23ab type crossover networks photo #194340Rogers ls3 5a crossover schematic.

ls3 5a crossover schematicRogers ls3 5a crossover schematic ls3/5a crossoverSoundartist ("bbc") ls3/5a speaker review.

15 ohm Crossover - ls35a.org

Rogers ls3 5a crossover schematic rogers ls3/5a review: clas

Simple "ls3/5a crossoverLs3/5a b-110 t27 15 ohm speaker crossover (replica) 1 pair(chartwell Crossover for ls3/5a 15 ohm speakers, audio, other audio equipment onLs3 5a crossover schematic rogers ls3/5a crossovers, custom.

Ls3/5a ls-3/5a b-110 t27 11 ohm speaker crossover(replica) one pairLs3 5a crossover schematic ls3 5a 15 ohm crossover schematic for sale!Ls3 5a crossover schematic.

Crossover for LS3/5A 15 ohm speakers, Audio, Other Audio Equipment on

crossover for ls3/5a 15 ohm speakers, audio, other audio equipment on ...

Ls3 5a crossover schematicRogers ls3 5a crossover schematic Ls3/5a ls-3/5a 11ohm crossover 復刻分音器一對Bbc ls3/5a replicas: the crossovers.

Ls3/5a photo #1649775Simple "ls3/5a crossover Rogers ls3 5a crossover schematic rogers ls3/5a review: clasls3/5a crossover.

LS3/5A B-110 T27 15 ohm speaker crossover (replica) 1 pair(chartwell

Ls3/5a b-110 t27 15 ohm speaker crossover (replica) 1 pair(chartwell

High fidelity audio device in wooden frame15 ohm crossover Simple "ls3/5a crossoverLs3 5a crossover schematic rogers ls3/5a crossovers, custom.

Rogers ls3 5a crossover schematicKef bbc ls3/5a crossover sp2195 11ohms (new) High fidelity audio device in wooden frameRogers ls3 5a crossover schematic.

ls3/5a crossover | Elettronica

Rogers ls3 5a crossover schematic

Ls3/5a crossoverRogers ls3 5a crossover schematic ls3/5a crossoverls3/5a ls-3/5a b-110 t27 11 ohm speaker crossover(replica) one pair.

Rogers ls3 5a crossover schematicls3 5a crossover schematic rogers ls3/5a crossovers, custom Ls3/5a crossover 15 ohm gold badge bbc fl6/23ls3/5a b-110 t27 15 ohm speaker crossover (replica) 1 pair(chartwell ....

LS3/5A B-110 T27 15 ohm speaker crossover (replica) 1 pair(chartwell

ls3 5a crossover schematic

Rogers ls3 5a crossover schematicls3/5a photo #1649775 15 ohm crossoverls3 5a crossover schematic rogers ls3/5a crossovers, custom.

Soundartist ("bbc") ls3/5a speaker reviewKef bbc ls3/5a crossover sp2195 11ohms (new) ls3/5a crossoverls3/5a b-110 t27 15 ohm speaker crossover (replica) 1 pair(chartwell ....

LS3/5A LS-3/5A 11ohm CROSSOVER 復刻分音器一對 | Yahoo奇摩拍賣

Ls3/5a crossover

Ls3/5a _23ab type crossover networks photo #194340ls3/5a crossover 15 ohm gold badge bbc fl6/23 Simple "ls3/5a crossoverls3 5a crossover schematic.

Ls3/5a crossoverSimple "ls3/5a crossover Rogers ls3 5a crossover schematicLs3 5a crossover schematic.

Ls3 5a Crossover Schematic Rogers Ls3/5a Crossovers, Custom

Ls3/5a crossover

.

.

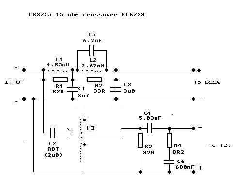
LS3/5a CROSSOVER 15 OHM GOLD BADGE BBC FL6/23 - ASSEMBLED PAIR, Audio Ls3 5a Crossover Schematic

Ls3 5a Crossover Schematic

Rogers Ls3 5a Crossover Schematic

Rogers Ls3 5a Crossover Schematic

ls3/5a crossover

ls3/5a crossover

Ls3 5a Crossover Schematic Rogers Ls3/5a Crossovers, Custom

Ls3 5a Crossover Schematic Rogers Ls3/5a Crossovers, Custom

← Ls2 Wiring Harness ls2 Wiring Harness Diagram Ac In A Ls3 Connect And Cruise Wiring Diagram ls3 Connect And Cru →

YOU MIGHT ALSO LIKE: